с 9:00 до 18:00 (пн.-пт.)

Расчёт свайных фундаментов мостов при обследовании, диагностике и реконструкции

23 фев 26г.
48

При обследовании мостов и путепроводов расчёт оснований и фундаментов нужен намного чаще, чем кажется на старте. Он требуется не только при явных дефектах, но и в тех случаях, когда меняются условия работы сооружения: планируется реконструкция, расширение проезжей части, замена или добор главных балок, изменяется режим пропуска транспорта и монтажные схемы.

В отличие от нового строительства, при обследовании почти всегда приходится работать с «фактом»: часть исходных данных может отсутствовать, а реальные геометрия и материалы уточняются по обмерам и диагностике. Поэтому расчёт выполняют как инженерную проверку текущей работоспособности опоры и её фундамента, а при необходимости — как основу для усиления.

Когда расчёт основания и фундамента становится обязательным

Расчёт свайных фундаментов выполняют при обследовании, если есть признаки изменения геометрии и деформаций (осадки, перекосы, раскрытие трещин, смещения элементов). Он также необходим при реконструкции, потому что реконструкционные решения почти всегда меняют распределение усилий и сочетания нагрузок на опору.

Если предстоят монтажные стадии с частичным перекрытием движения или переносом нагрузок на часть пролетного строения, расчёт часто выполняют отдельно для временных схем. Это позволяет заранее оценить, выдержит ли существующий свайный фундамент монтажный период без превышения расчётных параметров.

Исходные данные для расчёта опор мостов и путепроводов

Качество расчёта определяется качеством исходных данных. В прикладной практике для опор мостов и путепроводов критичны два блока: инженерно-геологическая информация и проектная (или восстановленная) документация сооружения.

Инженерно-геологические сведения

Для каждого слоя грунта нужны тип по гранулометрическому составу (глинистые, песчаные, гравелистые, крупнообломочные, скальные и т.д.) и набор расчётных характеристик. В этот набор обычно входят объёмный вес, коэффициент пористости, влажность, угол внутреннего трения, показатели для связных грунтов, модуль деформации и иные параметры, которые применяются при расчёте основания и свайной части.

Именно поэтому на объектах с неполными данными первым шагом становится актуализация геологии и уточнение разреза по пятну опоры. Для понимания, какие данные обычно нужны и как они влияют на проектные решения, удобно ориентироваться на материал инженерно-геологические изыскания.

Проектная документация сооружения

В расчёте используют типовой или индивидуальный проект с указанием расчётной схемы, материалов (класс бетона, марка стали и т.п.), геометрии и конструктивных решений. Если проект отсутствует, конструкцию устанавливают по данным обследования и обмеров, сопоставляя характерные признаки (длина сооружения, шаг и высоты балок, габарит и т.д.) с параметрами типовых проектов.

Такое «восстановление» не является допущением ради допущения. Это техническая процедура, которая позволяет получить расчётную схему, максимально близкую к фактической, и тем самым снизить риск ошибок при проверке грузоподъёмности и несущей способности опоры.

Если нет геологии или не удаётся идентифицировать проект

Бывают ситуации, когда инженерно-геологические сведения отсутствуют либо недостаточны, а принадлежность сооружения к типовой серии установить невозможно. В таких случаях расчёт грузоподъёмности выполняют по методикам определения грузоподъёмности эксплуатируемых мостовых сооружений, где применяется подход сопоставления предельно допустимого воздействия от временной нагрузки для рассчитываемого элемента с воздействием от нагрузки, в единицах которой определялся класс сооружения.

Для дорожных мостов этот подход изложен в серии отраслевых дорожных методических документов по определению грузоподъёмности эксплуатируемых мостовых сооружений, включая общий документ ОДМ 218.4.025-2016 и специализированные части по элементам и системам.

Какие элементы мостовой опоры проверяют расчётом

При обследовании и реконструкции важно понимать, что расчёт опоры — это не только «сваи и грунт». Нагрузка проходит через надфундаментную часть и далее в фундамент, поэтому проверяют весь путь передачи усилий.

Надфундаментные элементы

К расчётным элементам надфундаментной части обычно относят насадку (ригель) опоры. Для отдельных типов опор дополнительно проверяют подферменную плиту или подферменник на местное смятие.

Также оценивают прочность и устойчивость формы тела опоры как внецентренно сжатого элемента. Это особенно важно при наличии горизонтальных воздействий и при реконструкционных схемах, где появляются дополнительные эксцентриситеты и несимметричные стадии работы.

Фундамент опоры

По фундаменту проверяют прочность основных элементов (сваи, оболочки, столбы — в зависимости от конструктивного решения). Отдельно оценивают несущую способность основания, то есть способность грунтового массива воспринимать переданные усилия без недопустимых деформаций и потери устойчивости.

Если по результатам обследования требуется подтвердить фактическую работу основания, применяют испытания. В практике это могут быть статические/динамические методики, оформляемые протоколами и исполнительной документацией, что подробно разобрано в материале испытания свай нагрузкой.

Сочетания нагрузок при проверке грузоподъёмности опор

Для проверки прочности и устойчивости формы тела опоры, а также для оценки работы системы «опора–фундамент–основание» нагрузки рассматривают в сочетаниях. При обследовании и при реконструкции это особенно важно, потому что «наихудший» случай часто возникает не в постоянной эксплуатации, а в монтажной стадии.

Основное сочетание

В основное сочетание включают постоянные нагрузки и вертикальные временные нагрузки. Для концевых опор (устоев) дополнительно учитывают горизонтальные нагрузки от давления грунта, включая влияние транспортных средств на призме обрушения, если это актуально для расчётной схемы.

Дополнительное сочетание

В дополнительное сочетание входят постоянные нагрузки, вертикальные временные нагрузки и горизонтальная продольная нагрузка от торможения или силы тяги. Это сочетание часто является определяющим для оценки внецентренного сжатия и для проверки устойчивости формы тела опоры.

Коэффициенты сочетаний для временных воздействий

При расчётах учитывают снижение вероятности одновременного действия нескольких временных нагрузок. Для этого применяют коэффициенты сочетаний для временных нагрузок и воздействий, которые приведены в приложении Д СП 35.13330.2011 «Мосты и трубы».

В приложении Д коэффициенты задаются таблично по видам временных нагрузок (вертикальные, торможение/тяга, ветровая и др.) и по их комбинациям. Для автодорожных и городских мостов коэффициенты указаны под чертой, а над чертой — для железнодорожных мостов и мостов метрополитена.

Например, в ряде комбинаций для временной вертикальной нагрузки (N7) используются значения 0,8 или 0,7, для торможения/тяги (N11) — 0,7, а для ветровой нагрузки (N12) при совместном действии с другими временными воздействиями в таблице встречается 0,25 для автодорожных и городских мостов (и 0,50 для железнодорожных — над чертой).

Пример расчёта при реконструкции: проверка существующего свайного фундамента по стадиям

Практически показательный случай — реконструкция железобетонного мостового сооружения, вызванная расширением мостового полотна и добором главных балок. В такой задаче недостаточно «пересчитать конечную схему», потому что критические усилия могут возникать в монтажных стадиях, когда нагрузка проходит через часть пролетного строения.

Поэтому расчёт выполняют поэтапно: отдельно проверяют существующий мост на период монтажа (с учётом изменения потока движения и временных схем пропуска), затем проверяют схему после реконструкции для новой эксплуатационной стадии. Если по результатам этапных проверок запас несущей способности оказывается недостаточным, прорабатывают усиление или новый фундамент.

Стадия 1: расчёт ремонтируемого моста на монтажный период

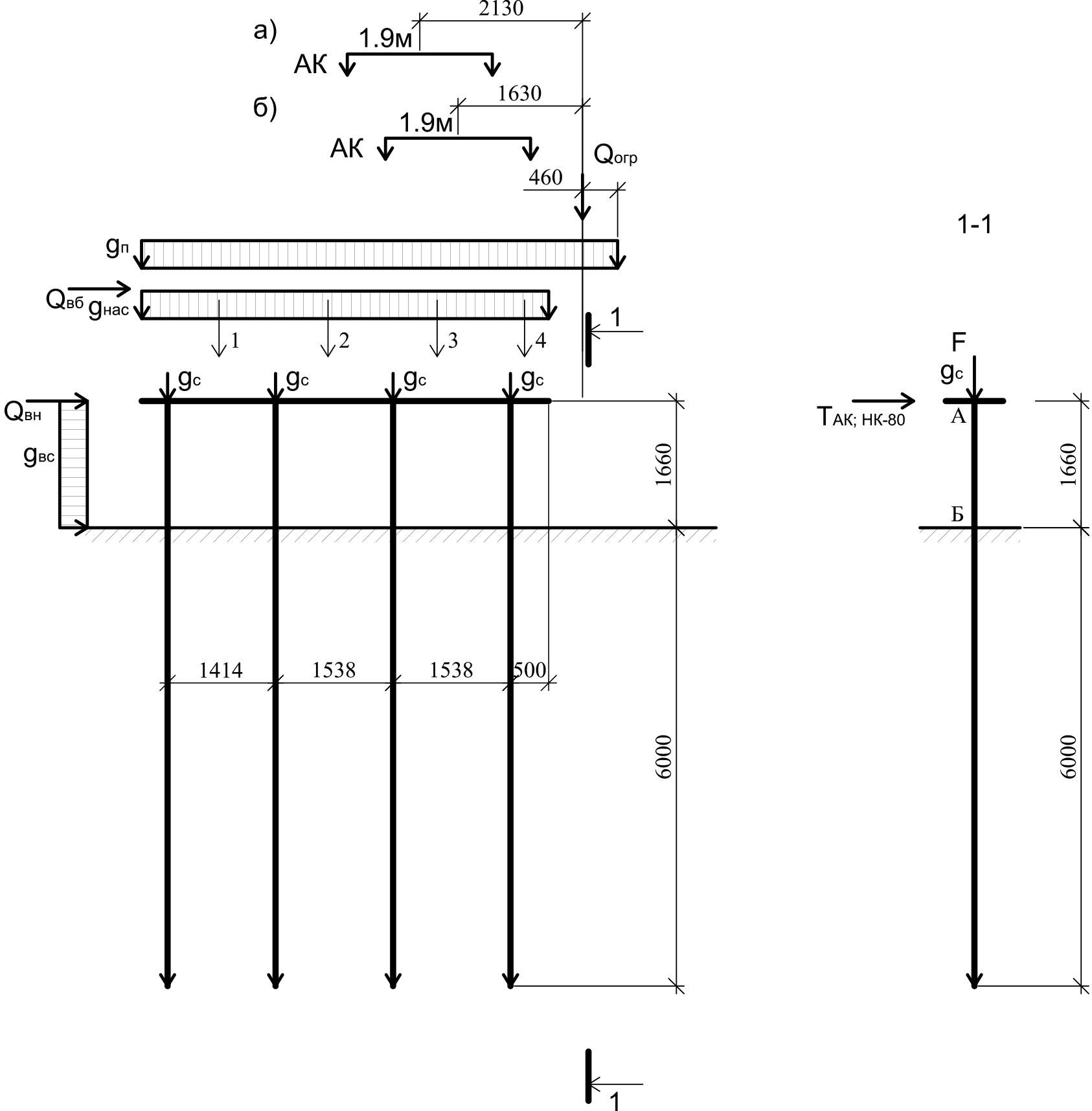
На первой стадии выполняют расчёт существующего моста при пропуске временной нагрузки АК класса 10 на половине пролетного строения. В такой схеме часть элементов фактически не участвует в работе, и расчёт ведут с учётом того, что половина свай и насадки в восприятии усилий не задействованы.

Цель этапа — проверить, выдержит ли существующая система «насадка–сваи–основание» монтажную ситуацию, когда нагрузка концентрируется на части опоры.

Стадия 2: расчёт моста после реконструкции

На второй стадии выполняют расчёт уже с учётом реконструкции и пропуска временной нагрузки АК класса 14 также на половине пролетного строения. Смысл тот же: определить, достаточно ли запаса несущей способности на наиболее неблагоприятной схеме и не возникает ли исчерпание по грунту или по конструкциям.

Такой подход удобен тем, что позволяет разделить риски: отдельно оценить монтажную уязвимость и отдельно — эксплуатационную. На практике это уменьшает вероятность «неожиданного» усиления уже после начала работ.

Расчётная схема промежуточной опоры и учёт грунта в модели

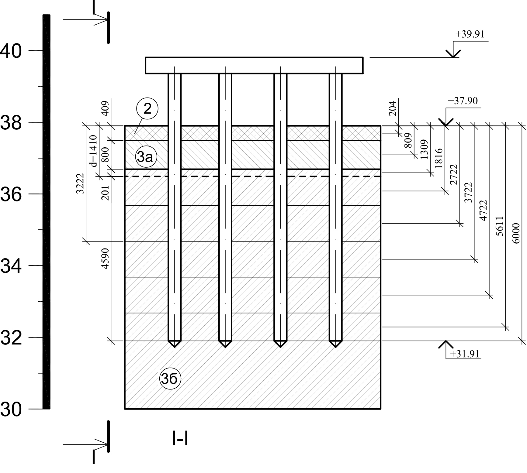
В примере промежуточная опора представлена насадкой и одним рядом свай. Конструктив насадки идентифицируется по данным обследования как решение типовых проектов на автомобильных дорогах (выпуски 143–144), после чего формируется расчётная схема с заданием геометрии и жесткостей элементов.

Для корректной оценки работы свайной части важно, как в расчёте моделируется грунтовое взаимодействие. Один из распространённых инженерных подходов — учёт грунта через коэффициенты постели, прикладываемые к стержневым элементам свай по длине, и через вертикальный отпор под острием сваи.

Коэффициенты постели C1 и C2 и вертикальный отпор под острием

В такой постановке коэффициенты постели C1 и C2 задают работу грунта вдоль ствола сваи (как упругое основание для стержня), а вертикальный отпор под острием отражает сопротивление грунта под нижним концом. Значения и порядок определения характеристик грунта для расчётов свайных фундаментов принимают по СП 24.13330 «Свайные фундаменты» (актуальная редакция). :contentReference[oaicite:3]{index=3}

Важно, что «коэффициенты постели» не берутся произвольно. Они должны соответствовать принятым расчётным параметрам слоёв и выбранной расчётной модели, чтобы расчёт отражал реальную работу основания.

Какие проверки выполняют по свайной части в результате расчёта

В практическом расчёте свайный фундамент опоры проверяют по нескольким критериям, которые отражают как работу грунта, так и работу конструкций. При обследовании это особенно важно: дефекты и изменения условий эксплуатации могут смещать «слабое место» системы.

В типовом наборе проверок оценивают прочность грунта и осадки для условного фундамента (то есть для эквивалентной схемы восприятия нагрузок свайной группой). Отдельно проверяют прочность насадки (ригеля), поскольку именно она собирает усилия и распределяет их на свайный ряд.

По итогам проверок формулируют выводы: есть ли признаки исчерпания несущей способности основания, сохраняется ли допустимая деформативность, требуется ли усиление и на какой стадии оно становится необходимым.

Что делать, если расчёт показывает недостаточный запас

Если расчёт фиксирует исчерпание несущей способности грунта или недопустимые деформации, решение принимают не «по одному числу», а по причине. Иногда проблема связана с изменением эксплуатационных нагрузок и сочетаний, иногда — с фактическими грунтовыми условиями, иногда — с конструктивными ограничениями надфундаментной части.

Для уменьшения неопределённости и подтверждения принятых решений применяют испытания свай и дополнительные контрольные мероприятия. В связке с расчётом они позволяют перейти от «допущений» к измеряемым параметрам и обосновать оптимизацию или усиление. В качестве ориентиров полезны материалы полевые испытания грунтов и испытания свай нагрузкой.

Как расчёт связывается с производством работ и приёмкой

Даже точный расчёт теряет ценность, если он не увязан с организацией работ на объекте. При реконструкции мостов это особенно заметно: монтажные стадии требуют регламентов по схемам пропуска, последовательности операций и фиксации факта выполнения.

Поэтому расчётные решения обычно подкрепляют проектом производства работ и исполнительной документацией. Для свайной части это означает понятную технологию и дисциплину фиксации параметров работ, включая журналы и акты. В этой части полезны материалы ППР свайных работ и журнал забивки свай.

Итог

Расчёт свайных фундаментов мостов при обследовании и реконструкции — это инженерная проверка реальной работоспособности опоры по фактическим данным. Он начинается со сбора геологии и проектных сведений, включает проверку надфундаментных элементов и фундамента, рассматривает сочетания нагрузок и часто выполняется по стадиям, если реконструкция включает монтажные схемы.

Когда исходные данные неполные, применяют специальные методики определения грузоподъёмности эксплуатируемых сооружений. А когда неопределённость по грунту или запасам высока, расчёт усиливают испытаниями и контрольными мероприятиями, чтобы принимать решения на фактах и снижать риск переделок на стройке.

FAQ

Почему при реконструкции мостов расчёт выполняют по стадиям, а не только по конечной схеме?

Потому что монтажные ситуации часто создают несимметричные схемы работы и концентрацию нагрузок на часть пролетного строения и опоры. Именно в эти периоды могут возникать наиболее неблагоприятные усилия и деформации.

Что считать минимальным набором исходных данных для расчёта опор?

Инженерно-геологические сведения по слоям и их расчётным параметрам, а также проектная документация или восстановленная расчётная схема по данным обследования. Без этих блоков расчёт становится набором допущений.

Если проект моста не найден, можно ли всё равно определить грузоподъёмность?

Да, применяют методики определения грузоподъёмности эксплуатируемых мостовых сооружений, где сравнивают воздействия от временной нагрузки для рассчитываемого элемента с воздействиями от нагрузки, по которой задавался класс сооружения.

Почему коэффициенты сочетаний нельзя «просто взять одним числом»?

В СП 35.13330.2011 коэффициенты сочетаний для временных нагрузок задаются таблично по комбинациям воздействий. Для одного вида нагрузки коэффициент может отличаться в зависимости от того, какие воздействия действуют совместно.

Что даёт учёт грунта через коэффициенты постели C1 и C2?

Это способ отразить взаимодействие сваи с грунтом вдоль ствола и под острием в расчётной схеме, чтобы учесть деформативность основания и перераспределение усилий. Параметры для расчёта свайных фундаментов принимают по СП 24.13330.

Материалы по теме

Мы используем файлы cookie, чтобы сайт работал корректно и удобнее. Продолжая пользоваться сайтом, вы соглашаетесь с использованием cookie.

Принять